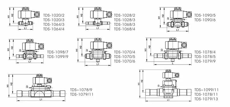
三通热气除霜阀TDV
三通阀用于控制气体在排出集合管流到不同冷藏柜(除霜)中的流动
了解更多


